六台联盟免费资料-免费公开资料大全
EN
中文 /
联系电话:
华东地区:(+86)177-6623-7602 侯经理
华南地区:(+86)150-6179-5166 曹经理
华北地区:(+86)185-7906-6925 万经理
西南地区:(+86)136-3588-4051 陈经理
邮箱:
华东地区:
[email protected]
侯经理
华南地区:
[email protected]
曹经理
华北地区:
[email protected]
万经理
西南地区:
[email protected]
陈经理
菜单
首页
关于我们
公司简介
企业证书
发明专利
产品中心
新闻中心
公司新闻
行业新闻
项目业绩
典型业绩
主要客户
人才发展
校园招聘
社会招聘
下载中心
下载中心
联系我们
产品中心
首页
产品中心
搜索
产品中心
酸碱/有机排气系统
气体输送系统
废气处理单元
通用产品及其它
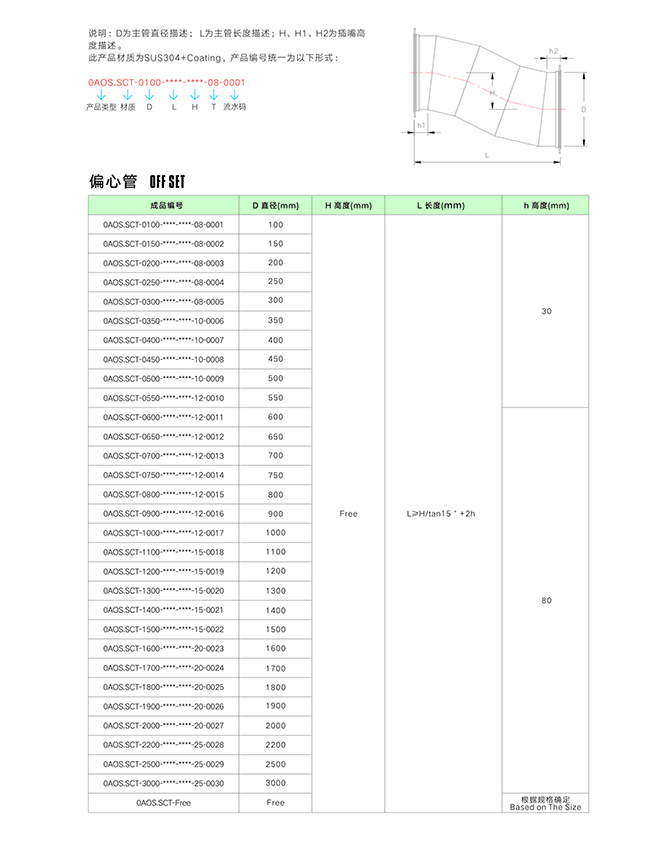
偏心管
产品简介
产品说明
产品说明:
1.
标准产品技术参数请查阅样本。
2.
使用范围:酸碱排气系统中的管道材质为
SUS304+Coating
3.
可以根据实际需要确定长度
4.
可以根据实际需要确定偏心距离